Surub M4x13 KTM
- La predare
- Ramburs direct la vanzator
- Avans
-
Ramburs prin Garantia de Livrare
Curierul special îți livrează produsul pe care tu îl achiți la primire. Dacă produsul nu este ca în descriere, îți recuperezi banii, inclusiv taxele de transport.
- Online


Descriere
Raporteaza produsVânzatorul este direct răspunzator pentru produsul afișat în această pagină.
-
MarcaKtm
Specificatii
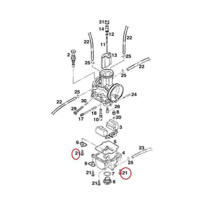
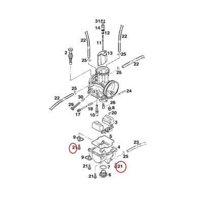
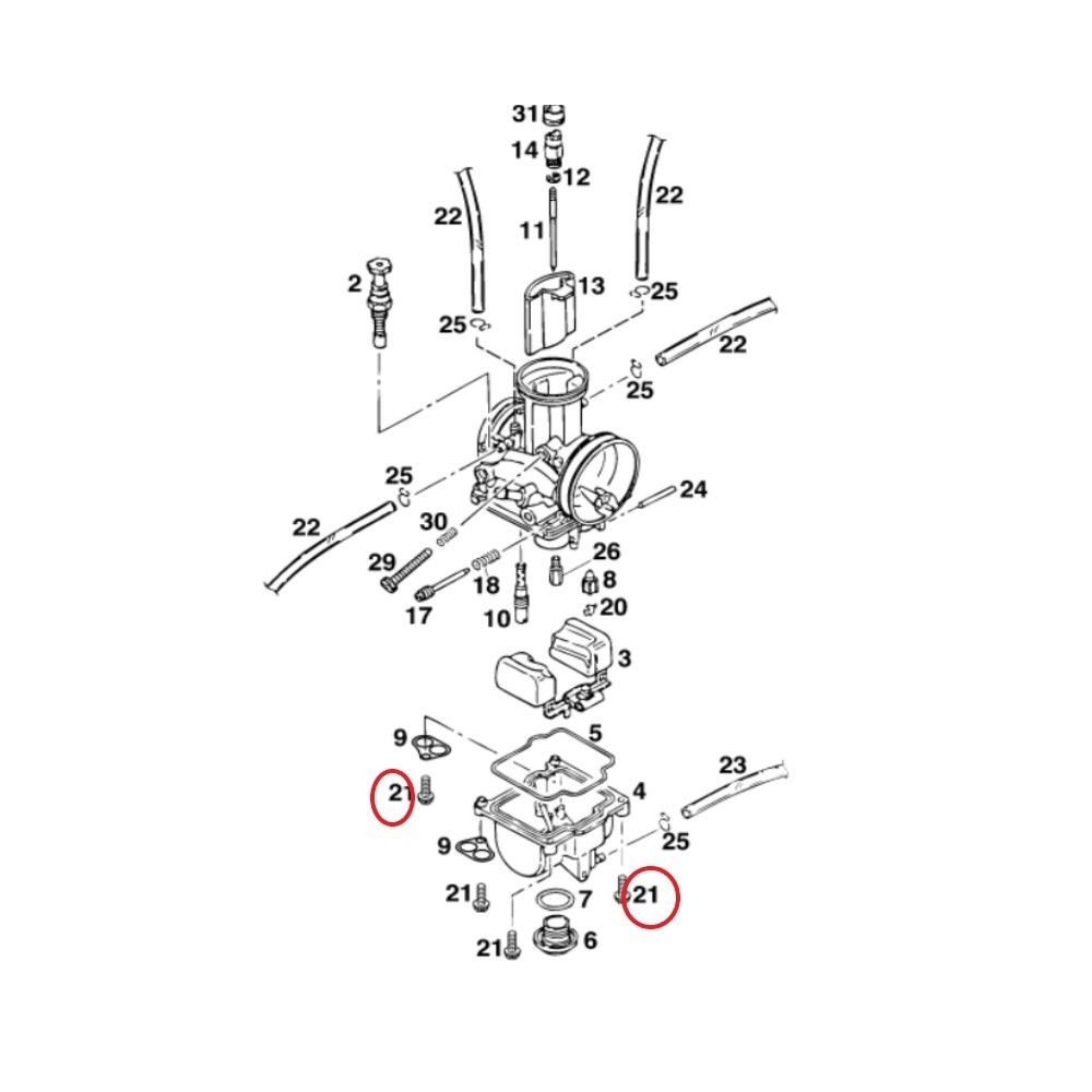
Surub cu guler M4x13 KTM Husqvarna pentru fixari moto OEMSurubul cu guler M4x13 KTM/Husqvarna, cod OEM 0016040133, este disponibil la cel mai bun pret la SHR Motors Pitesti. Piesa de calitate OEM, ideala pentru inlocuirea suruburilor uzate, rupte sau lipsa din prinderi unde ai nevoie de fixare sigura si dimensiuni corecte, conform specificatiilor producatorului.Este o solutie potrivita pentru reparatii rapide si montaj corect pe diverse subansamble (in functie de schema modelului), inclusiv zone precum carburatorul si elemente de fixare similare.Coduri produsCod OEM: 0016040133Cod producator: 0016040133Descriere tehnica detaliataAceasta piesa este un surub tip collar screw (surub cu guler, surub cu flansa) cu filet metric M4 si lungime 13 mm. Capul este hexagonal, cu latime cheie WS 6 mm, conceput pentru o strangere controlata si o suprafata de sprijin stabila, reducand riscul de slabire la vibratii.Un surub uzat, ovalizat sau impropriu poate duce la prinderi slabite, zgomote, vibratii si aliniere incorecta a componentelor. Inlocuirea cu surubul OEM 0016040133 restaureaza fixarea corecta si pastreaza compatibilitatea cu piesele originale KTM/Husqvarna.Caracteristici principalePiesa OEM originala KTM/HusqvarnaFilet metric M4Lungime 13 mm, cap hexagonal WS 6Guler/flansa pentru sprijin si fixare precisaConstructie metalica durabilaCompatibilitateCompatibilitatea se stabileste conform diagramei oficiale de piese (in special in zone precum carburatorul sau prinderi similare), unde este specificat surub M4x13 cod 0016040133.KTM 50 SX, 50 Supermoto, 65 SX 2004-2017KTM 125 SX 2011Husqvarna (diverse modele cu carburator, de exemplu TC 50) unde apare in schemaNota: compatibilitatile pot varia in functie de anul modelului si echipare. Verifica schema de piese pentru motocicleta ta inainte de comanda si montaj.Beneficii pentru clientBeneficii principale:Fiabilitate crescuta prin piesa OEMPotrivire precisa, fara adaptariMontaj simplu si sigurCost optim pentru o reparatie corectaInformatii comercialeProdusul este nou si beneficiaza de garantie de la producator.Pretul include toate taxele, mai putin costurile de livrare.Cele mai bune preturi in magazinul SHR Motors Pitesti.
Galerie foto
Modalitati de livrare si plata
LIVRARE
In Pitesti
-
- Predare personala in max. 1 zi lucratoare
-
- Prin curier cu Garantia de Livrare - 18 Lei in max. 2 zile lucratoare
In Romania:
-
- Prin curier cu Garantia de Livrare - 18 Lei in max. 2 zile lucratoare
PLATA
- - La predare
- - Ramburs direct la vanzator
- - Avans
- - Ramburs prin Garantia de Livrare
Curierul special îți livrează produsul pe care tu îl achiți la primire. Dacă produsul nu este ca în descriere, îți recuperezi banii, inclusiv taxele de transport.
- - Online
Politica de retur
- - Produsul se poate returna in maxim 3 zile lucratoare
- - Metoda de retur: Ramburs contravaloare produs
- - Costul transportului va fi suportat de catre cumparator
- - Alte detalii: Retur acceptat in conditiile Garantiei de Livrare
Spune-ti parerea acordand o nota produsului


